1 / 4

Culasse spirale en plastique KBT verte - 150 cm

Enchère actuelle
Statut

Activer l'offre automatique

Spécifications du lot
Quantité
1
Marge
Non
Marque
kbt
Couleur
groen
Hauteur
150cm
Matériau
kunststof
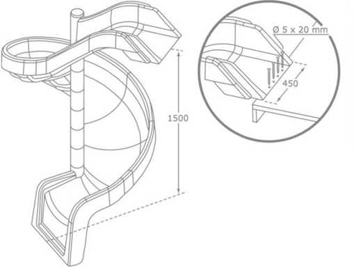
Description
Une culasse spirale verte en HDPE moulé par injection. Propriétés: - Composé de 8 pièces coulissantes montées autour d’un poteau central et vissées ensemble - Le poteau central métallique doit être placé à environ 500 mm de profondeur et stabilisé dans le béton - Dimensions globales : diamètre 1200 x 1700 mm - Hauteur du quai 1500 mm - Largeur de surface de glissement 390 mm
Remarques
Détails supplémentaires
Er is geen herroepingsrecht. De minimumleeftijd voor het bezoeken van de kijk- en ophaaldagen is 18 jaar. Bezoekers moeten zich kunnen identificeren. Tijdens de ophaaldag is een vorkheftruck beschikbaar. De maximale hefcapaciteit bedraagt 2 ton. Gebruik van de vorkheftruck geschiedt geheel op eigen risico. Daarnaast kunnen zich wachttijden voordoen.

Plus de la même Vente aux Enchères

Voir tous

Téléchargez l'application Troostwijk Auctions maintenant !

App storeGoogle play