1 / 9

138 pièces - Würth Elektronik HV PDU Extended Range pour 3 batteries HV

Enchère actuelle
Statut

Montant total de l'enchère

Voir le détail du prix total

Montant de l'enchère maximal

Voir le détail du prix total
Spécifications du lot
Quantité
144
Marge
Non
Marque
Wurth Elektronik ICS GmbH & Co. KG
Description
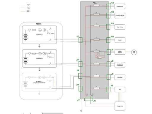
À vendre un vaste lot d’unités de distribution d’énergie haute tension (PDU) de haute qualité de Würth Elektronik ICS GmbH & Co.
KG : Type : PDU HV
Gamme étendue Conception pour : 3 packs de batteries haute
tension Quantité : 138 pièces
Description du produit :
Ces unités de distribution d’énergie haute tension sont utilisées pour la distribution sécurisée et la protection des courants à haute tension dans les véhicules électriques et autres applications haute tension. La version à portée étendue permet l’intégration de jusqu’à trois batteries haute tension, garantissant un haut degré de flexibilité dans l’architecture système.
Ces unités sont de qualité OEM dans le secteur automobile et sont idéales pour le développement de systèmes HV, la production en série, les projets de conversion ou comme pièces détachées.
Domaines d’application typiques :
Bus
électriques, véhicules commerciaux et camions,
véhicules spéciaux,
systèmes industriels HV
, e-mobilité, prototypage et production en
série. État :
Aussi bon que neuf, marchandises de stock inutilisées
Remarques
Élévateur disponible au ramassage.
Les palettes en euros peuvent être achetées pour échange ou pour 10€.
Détails supplémentaires
La VISITE se fait uniquement avec une inscription préalable par e-mail : auktion@greenpart-consulting.com Le PAIEMENT est dû immédiatement après réception des surtaxes. L’instruction de paiement est stockée dans www.troostwijkauctions.com / Mes achats / Paiement (Paiement). Paiement en ligne possible. Le virement bancaire prend au moins 2 jours ouvrables complets !! PAS D’EMBALLAGE : Les lots sont vendus sans palette et/ou boîte, sauf indication contraire. Les palettes en euros peuvent être échangées ou offertes moyennant un supplément de 10 €. ASSISTANCE AU CHARGEMENT disponible. Chariot élévateur 5t ÉTAT DE LIVRAISON : Ex Œuvres (Incoterms)  Processus de paiement Nous vous conseillons vivement de prendre une journée de visite pour inspecter les terrains qui vous intéressent sur place avant de passer une offre. L’acheteur et la personne qu’il a mandatée peuvent tous deux participer à l’inspection sur rendez-vous. Les billets sont achetés - « tels qu’ils sont vus ». Cela signifie que les lots ne sont pas vérifiés et qu’aucune garantie de fonctionnement et d’exhaustivité n’est donnée, sauf si cela est expressément indiqué dans la description du lot. Puisque les enchères ne peuvent pas être annulées, il est important de prendre une décision éclairée concernant le passage d’une mise. Si vous captez beaucoup de choses et avez des questions ou préoccupations spécifiques, veuillez contacter immédiatement le personnel sur place. Si vous avez déjà récupéré le lot et souhaitez nous contacter ensuite pour une question ou un problème, veuillez noter que nous ne pourrons peut-être pas vous aider si c’est quelque chose que vous auriez pu/dû remarquer lors de la visite. RECOUVREMENT : Si vous ne respectez pas votre obligation de collecte, tout coût de stockage et d’administration (d’un montant de 50 € par jour par facture), ainsi que les frais nécessaires de dégagement et d’élimination (facturés en fonction des coûts réels encourus) seront déduits du montant de votre facture payée et le montant dû sera conservé. Si le montant dû dépasse le montant de la facture, le transfert de propriété revient au vendeur et vous perdez tout droit sur vos biens vendus aux enchères. S’il y a une différence entre les coûts de stockage et d’administration, ainsi que les frais de déminage et d’élimination nécessaires et la facture payée, alors cette différence sera réintégrée, et le transfert de propriété reviendra également au vendeur. Nous serons heureux de répondre à toutes vos questions. DÉMONTAGE SUPPLÉMENTAIRE : Le DÉMONTAGE doit être effectué par l’acheteur lui-même. VISITE SUPPLÉMENTAIRE : LA VISITE ne se fera qu’avec une inscription anticipée par e-mail le 11.02.2026 : auktion@greenpart-consulting.com. L’inscription doit se faire 2 jours ouvrés à l’avance
Documents

Plus de la même Vente aux Enchères

Voir tous

Téléchargez l'application Troostwijk Auctions maintenant !

App storeGoogle play